维拓斯VTOZ专业VTOZ维拓斯液压阀比例阀生产商
 
设为主页
收藏我们
  维拓斯VTOZ比例阀分类
压力阀
·
直动式比例阀  
·
先导式比例阀  
·
先导式比例溢流阀  
·
直动式比例减压阀  
·
先导式比例减压阀  
·
先导式比例减压阀AGRCZO  
比例阀流量阀
·
直动式比例阀流量阀  
·
插装式比例节流阀(2通型  
比例方向阀
·
比例方向阀  
·
先导式比例方向阀  
高频响阀
·
比例方向阀  
·
先导式比例方向阀  
·
插装式比例节流阀(2通型  
闭环比例阀
·
伺服比例阀  
·
两级伺服比例阀  
·
插装式伺服比例阀(2通型  
·
插装式伺服比例阀(3通型  
数字放大器
·
导轨式数字放大器E200  
·
集成式数字放大器E300  
·
插头式数字放大器E400  
当前位置 首页 >> MA-RZGO直动式比例减压阀

MA-RZGO 直动式比例减压阀

通径 6 压力到 210bar 流量至 12L /min

 

MA-RZGO-A 无压力传感器型

MA-RZGO-A 无压力传感器型

MA-RZGO-AES 带集成式数字放大器

MA-RZGO-AES 带集成式数字放大器

 

MA-RZGO-A结构说明

1.阀体 2.小阀芯 3.阀套 4.阀芯 5.比例电磁铁 6.集成式数字放大器

1 比例阀产品概述

MA-RZGO 直动式三通比例压阀,阀的二次压力与输入电信号成正比。此类阀工作时是通过电子放大器提供

比例电磁铁的驱动电流。当工作油口的油压力超过放大器规定的设定值时,高压作用在阀芯上,使油从工作油口

转到 T 口流出。以达到二次工作压力的稳定。

MA-RZGO 系列比例减压阀是由比例电磁铁 ⑤ 阀滑式阀芯 ④ 及阀体 ①、阀套③、小阀芯②组成,工作流量比

较小,可用在小流量系统工作或作为主控阀或比例泵的先导元件使用。此类比例减压阀可以选配带压力传感器和

数字式集成放大器 ⑥,以提高阀的动静态性能。

2比例溢流阀选型表:

液压符号

MA-RZGO-A MA-RZGO-AES

MA-RZGO-TERS

最大调节压力 bar

32

100

210

32

100

210

最小调节压力 bar

0.8

0.8

0.8

0.8

0.8

0.8

P 口最大压力 bar

315

T 口最大压力 bar

210

最大流量( L/min

12

线性度(最大被调节压力的 %

3

≤ 0.5

滞环(最大被调压力的 %

≤ 1.5

≤ 0.3

重复精度(最大被调动压力的 %

≤ 2

≤ 0.2

信号从 0-100% 变化时的响应时间(取决于测试条件)

≤ 45ms

≤ 40 ms

放大器类型及插头

E400( 详见 119-122 ) E200 (详见 105-110 页)

放大器电源

24VDC

4.VTOZ比例阀工作曲线(油温45 ℃,46#抗磨液压油)

4.1.流量调节曲线

压力调整曲线 在流量Q=1L/min时测得

1.MA-RZGO-A MA--RZGO-AES .MA--RZGO-TERS

VTOZ比例阀工作曲线图

4.2压力/流量曲线

在流量Q=1L/min和各种压力设定值时:

3.MA--RZGO-A MA--RZGO-AES 4.MA--RZGO-TERS

VTOZ比例阀工作曲线图

4.3最小压力流量曲线,在“0”输入信号时测得:

5.MA--RZGO-A MA--RZGO-AES 6. MA--RZGO-TERS

VTOZ比例阀工作曲线图

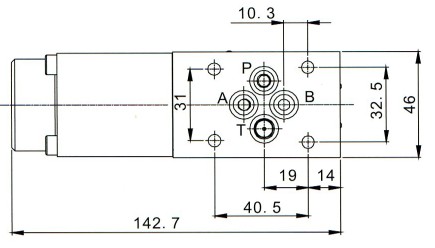
MA-RZGO-A安装尺寸:

MA-RZGO-A安装尺寸 MA-RZGO-A安装尺寸
MA-RZGO-A外形图

MA-RZGO-A 无压力传感器型

安装界面尺寸符合ISO4401-ab0304标准 6通径

紧固螺钉:4个M5*50内六角螺钉,12.9级

油口直径:P,T=6mm(最大)

MA-RZGO-AES尺寸图

MA-RZGO-AES外形图

MA-RZGO-AES外形图

MA-RZGO-AES 带集成式数字放大器

安装界面尺寸符合ISO4401-AB-03-4标准 6通径

紧固螺钉:4个M5*50内六角螺钉,12.9级

油口直径:P,T=6mm(最大)

 

地 址:江苏 南京市浦口区双垅北路12号 销售热线:15805186368(微信同号) 电 话:025-85549526 85541253
Web:www.vtoz.cn www.ywlvtoz.com Email:15805186368@163.com 2004-2039© 版权所有

友情链接:EUROSWITCH KUKEAUTO 温度开关 液位开关 连接器 H.T.P. PETERS

地 址:南京市大桥北路48号弘阳1号A座8楼 邮 编:210031 电 话:025-85549526 85541253 传 真:025-85542773
南京库克自动化设备有限公司 2004-2013© 版权所有